1

独立自主   国产之光

光电领域的先行者

 安全光幕用器件

NIC-LC15

(安全光幕用PDIC)

主要特点:

 

> 集成光电二极管的光电放大器, 

> 内置带通滤波器,中心频率可切换

> 带开漏极低压侧驱动器的差分电流输出

> 非线性传递函数导致宽动态范围

> 脉冲光电流

> 最长30μs的快速闪存恢复时间

> 即使光电流过大,恢复时间也低于10μs

> 在输入范围内 单5V电源 待机电流低;

> 输入数据激活电路

> ESD保护

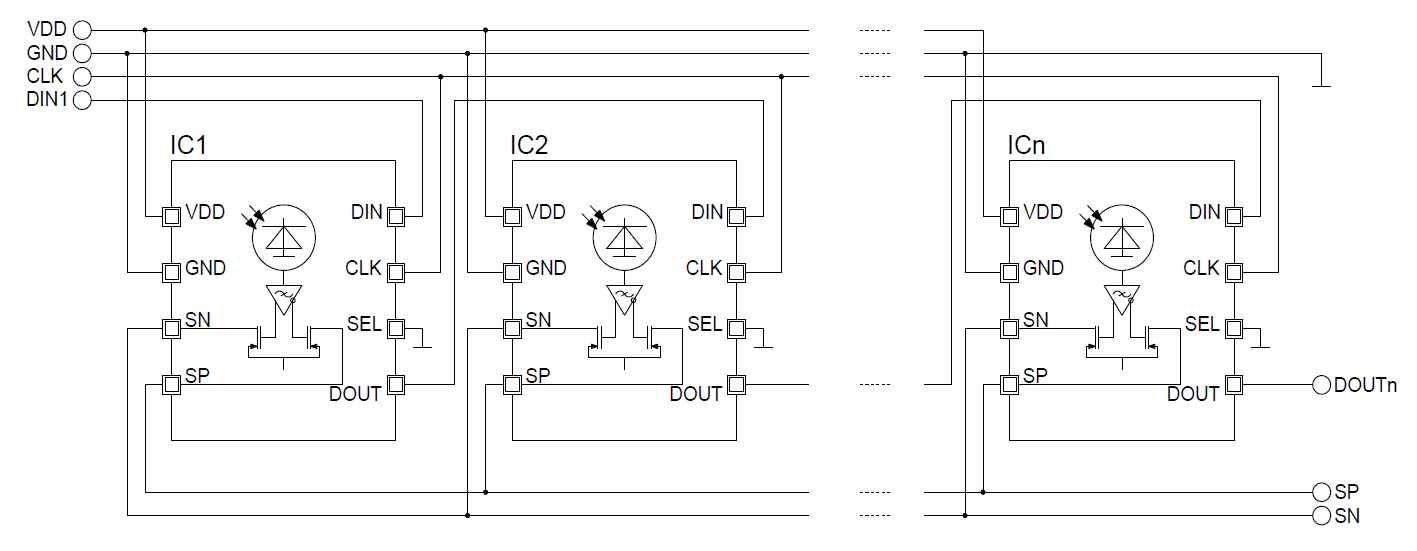
Block diagram

级连示意图

产品中心 -

PRODUCTS

编码器光栅尺
工业传感器应用
汽车与医疗应用
光敏元器件
基础光电元器件
发光元器件
APD雪崩二极管
光电PDIC和ASIC
光电开关
距离与位置器件
探测与传感器件
模块与组件